nirvana kimya

KABLO İÇİ TEST İÇİN TEST PROBLARI

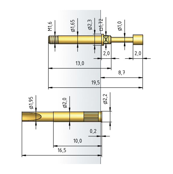
Kablo demetlerini test etmek için kapsamlı bir test probları seçimi mevcuttur.
40 mil ila 160 mil (1,02 mm ila 4,00 mm) arasında merkezler sağlayan dişlere sahip test probları
Konum testleri için dişli test probları (adım probları)
Kolay değiştirilebilen bir sistemle çeşitli versiyonlarda ve boyutlarda test problarının değiştirilmesi
Maça şeklinde kafa stiline sahip dönmeyen test probları
Geri itme testi için yüksek temas basınçlarına sahip geri itme test probu

TÜRKİYE DİSTRİBÜTÖRÜ

İŞ ORTAKLIĞINI VE TÜRKİYE DİSTRİBÜTÖRLÜĞÜNÜ ÜSTLENMİŞ OLDUĞUMUZ FİRMA